PEMBAHASAN SOAL FISIKA USBN 2019 (PART 3)

Posted on

Pembahasan Selanjutnya

21. Perhatikan pernyataan-pernyaan berikut:
(1)        Mengganti kisi  dengan kisi yang jumlah garis per milimeternya lebih besar
(2)        Cahaya yang dijatuhkan dari biru ke kuning
(3)        Mengganti cahaya yang dijatuhkan dari merah ke hijau
(4)        Mendekatkan layar dari kisi
Pernyataan yang sesuai untuk memperbesar pita terang pada percobaan kisi difraksi / difraksi celah banyak adalah ….           

A. 1 dan 2         B. 1 dan 3       C. 1 dan 4        

D. 2 dan 3         E. 2 dan 4     KUNCI JAWABAN: A

penyelesaian / pembahasan:

p = n . λ . L . N



lebar pita terang ( P ) sebanding dengan:

L = jarak layar dari celah

λ = panjang gelombang

dan berbanding terbalik dengan:

N = banyakya kisi / jumlah garis per mm

sehingga jawabannya: A

22. Pernyataan yang benar tentang sejumlah partikel gas ideal yang sedang mengalami proses isokhorik adalah….     
A. Semua kecepatan tiap tiap molekul sama         
B. jika suhu dinaikkan menjadi tinggi kecepatan rata-rata molekul menjadi lebih besar           

C. Tekanan gas tetap    

D. Gas tidak melakukan usaha   

E  Energi dalam Nol

23. Air sebanyak 60 gram bersuhu 90⁰C (kalor jenis air = 1 kal.g⁻¹ ⁰C⁻¹) dicampur 40 gram air sejenis bersuhu 25⁰C. Jika tidak ada faktor lain yang mempengaruhi proses dan wadah dianggap tidak menyerap kalor, maka suhu akhir campuran setimbang adalah ….       

A. 15,4⁰C        B. 23,0⁰C      C. 46,0⁰C 

D. 64,0⁰C        E. 77,0⁰C 

penyelesaian / pembahasan:

Q lepas = Q terima

m₁ . c . ΔT₁ = m₂ . c . ΔT₂

m₁ . ΔT₁ = m₂ . ΔT₂ —-> c dicoret karena sama

60 . (90 – T) = 40 . (T – 25)

5400 – 60T = 40T – 1000

Artkel Terkait  Mengenal Arrester, apa fungsi dan bagaimana prinsip kerja serta pemasangannya

100T = 6400

T = 64 C

24. Grafik tekanan P terhadap volume V .

Dari yang digambarkan pada grafik perubahan sistem gas ideal di atas, Usaha yang dilakukan gas tersebut dalam satu siklus  P – Q – R – P adalah….      

A. 30 J      B. 45 J      C. 60 J      

D. 80 J      E. 90 J      Kunci Jawaban: A

penyelesaian / pembahasan:

W = luas segitiga

W = 1/2 . alas . tinggi = 1/2 . 3 . (40 – 20) = 30 J

25. Dua batang logam yang berbeda P dan Q akan disambungkan satu sama lain dan pada ujung yang bebas masing-masing dikenakan suhu yang berbeda yaitu T1 = 100⁰C dan T3 = 20⁰C .
 

Jika diinginkan nilai suhu tepat pada sambungan T₂ sebesar = 40⁰C , maka berikut adalah cara yang benar yang dapat dilakukan adalah dengan mengganti batang yang memiliki nilai konduktivitas termal bahan tertentu serta mengubah panjang batang yaitu ….

LQ

masukkan satu persatu angka pada pilihan ganda kedalam rumus.

26. Perhatikan pernyataan berikut!

(1)        Jumlah lilitan

(2)        Kecepatan putaran
(3)        Induksi magnet
(4)        Hambatan kumparan
Faktor yang mempengaruhi besarnya GGL pada generator adalah ….         
A. (1), (2) dan (3) 
B. (1), (2) dan (4) 
C. (1) dan (4) 
D. (2) dan (4)       
E. (4) saja 
Kunci jawaban: A




Ɛ = ggl listrik

faktor yang mempengaruhi ggl:

B = medan magnet

A = luas kumparan

ω = kecepatan putaran

N = banyak lilitan

27. Perhatikan diagram pergeseran Wien berikut ini!


Jika suhu / temperatur suatu benda dinaikkan, maka yang akan terjadi adalah ….     
A. Panjang gelombang tetap       
B. Panjang gelombang bertambah         
C. Panjang gelombang berkurang            
D. Frekuensi tetap           
E. Frekuensi berkurang   

Kunci jawaban: C

𝜆 . T = 3 . 10³

T = 3 . 10³ / 𝜆

T berbanding terbalik dengan panjang gelombang


28. Radiasi dari radioisotop Co-60 dimanfaatkan untuk ….  
A. Penghancuran batu ginjal       
B. Detektor asap 
C. Menentukan umur fosil          
D. Terapi pada kelenjar gondok            
E. Membunuh sel kanker            
Kunci Jawaban: E         

Besar dan arah induksi magnetik di titik P adalah … (μ = 4π x 10-7 Wb m-1 A-1) 
A.       2,5 π x 10-7 Tesla, arah B masuk ke dalam bidang kertas
B.       5 x 10-7 Tesla, arah B ke luar bidang kertas
C.       5 π x 10-7 Tesla, arah B ke dalam bidang kertas
D.       1 x 10-6 Tesla, arah B ke luar bidang kertas
E.        π x 10-6 Tesla, arah B  ke dalam bidang kertas
Jawaban : C
Pembahasan
Besar induksi magnetik akibat kawat melingkar :

Arah induksi magnetik pada kawat melingkar ditentukan dengan aturan tangan kanan Oersted, keempat jari yang melingkar menunjukkan arah arus dan ibu jari menunjukkan arah induksi magnetik.

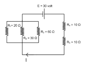
30. Perhatikan gambar rangkaian listrik di bawah ini!

Besar kuat arus listrik yang mengalir melewati hambatan R2 sebesar….      

Penyelesaian / pembahasan:

Rp = 10 Ohm

R total = 10 + 10 + 10 = 30 Ohm

Itotal = V / R = 30 / 30 = 1 Ampere

mencari I di R2:

R1   : R2    :  R3 

1/20 : 1/30 : 1/ 60

3      :      : 1

total bilangan pembagi = 3 + 2 + 1 = 6

I₂ = ( 2 / 6 ) . Itotal

I₂ = ( 2/6 ) . 1 = 1/3 A


Semogaa bermanfaat

Leave a Reply

Your email address will not be published. Required fields are marked *